Управление скоростью от внешнего потенциометра. Danfoss FC-51

В данной статье будет рассмотрено применение частотного преобразователя для управления скоростью вращения вентилятора от внешнего потенциометра.
Для ввода преобразователя частоты в эксплуатацию необходимо выполнить следующие действия:
-
Выполнить монтаж с соблюдением норм безопасности!
-
Проверить параметры оборудования (параметры сети, входа питание ПЧ, двигателя)
-
Проверить условия установки и эксплуатации преобразователя частоты(отсутствие пыли и влаги, температурный режим и
установочные зазоры).
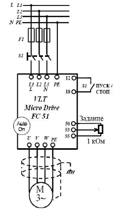
- Электрический монтаж осуществить в соответствии с схемой подключения указанной на рисунке 1.

Рисунок 1. Принципиальная электрическая схема подключения преобразователя частоты VLT Micro Drive
-
Проверьте правильность и надежность подключений. Преобразователь готов к работе, подайте питание.
-
Для реализации управления скоростью вращения вентилятора от внешнего потенциометра необходимо установить следующие параметры в преобразователе частоты VLT Micro Drive:
| № пар. | Параметр | Требуется установить значение |
|---|---|---|
| 14-22 | Режим работы (сброс параметров на заводские) | [2] Initialisation - инициализация (выкл. затем включить ПЧ) значение сброситься в 0, на ПЧ появится сигнал Alarm 80 |
| 1-20* | Номинальная мощность | ## кВт - с таблички двигателя |
| 1-22* | Номинальное напряжение | ## В - с таблички двигателя |
| 1-23* | Номинальная частота | ## Гц - с таблички двигателя |
| 1-24* | Номинальный ток | ## А - с таблички двигателя |
| 1-25* | Номинальный скорость | ## Об/мин - с таблички двигателя |
| 1-29* | Автоматическая адаптация двигателя | [2] Enable AMT - Для запуска адаптации установите [2] на пульте "Hand on" по завершении - "Ok" Знач. сбросится [0] |
| 1-90* | Тепловая защита двигателя | [4] ETR trip 1 - Отключение по электронной защите |
| 2-10* | Функция торможения | [2] AC brake - Торможение переменным током |
| 2-17* | Контроль перенапряжения | [2] - Enable - включено |
| 14-01* | Частота ШИМ | [4] 16 кГц - высокая частота снижает шум |
| 1-03* | Характеристика момента | [2] Auto Energy Opt. - автоматич. оптимизац. энергопотреб. |
| 4-12 | Мин. скорость вращения | [0] Гц - в зависимости от применения |
| 4-14* | Макс. скорость вращения | [50] Гц - рекомендуется установить номинальную скорость |
| 3-02* | Мин. задание | [0] минимальное задание |
| 3-03 | Максимальное задание | [50] максимальное задание |
| 3-41 | Время разгона | [8] с - зависит от применения. |
| 3-42 | Время замедления | [8] с - зависит от применения |
| 3-15 | Источник задания 1 | [1] Analog in 53 - задание уровня поддерживаемого параметра |
| 3-16* | Источник задания 2 | [0] No function - нет |
| 5-10 | Функция цифр. вх. 18 | [8] Start - Пуск |
| 6-10 | Кл. 53 низкое напряжение | [0] В - нижний диапазон аналогового входа 1 |
| 6-11 | Кл. 53 высокое напряжение | [10] В - высокий диапазон аналогового входа 1 |
| 6-14 | Кл. 53 низкое задание | [0] В - низкое задание аналогового входа 1 |
| 6-15* | Кл. 53 высокое задание | [50] В - высокое задание аналогового входа 1 |
*Обязательно введите/проверьте значения этих параметров (значения этих параметров могут отличаться от заводских)