Управление скоростью от потенциометра панели. Старт кнопкой

В данной статье рассмотрим управление скоростью вращения вентилятора от потенциометра панели оператора. Старт по кнопке.
Защита двигателя от перегрева по термореле (подключено к цифровому входу преобразователя).
Для ввода преобразователя частоты в эксплуатацию необходимо выполнить следующие действия:
- Выполнить монтаж с соблюдением норм безопасности!
- Проверить параметры оборудования (параметры сети, входа питание ПЧ, двигателя)
- Проверить условия установки и эксплуатации преобразователя частоты (отсутствие пыли и влаги, температурный режим и установочные зазоры).
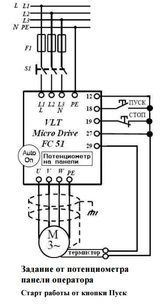
- Электрический монтаж осуществить в соответствии с схемой подключения указанной на рисунке 1
- Проверить правильность и надежность подключений
- Для реализации работы управления скоростью вращения вентилятора от потенциометра панели оператора необходимо установить следующие параметры в преобразователе частоты VLT Micro Drive:

Рисунок 1. Принципиальная электрическая схема подключения преобразователя частоты VLT Micro Drive
| Параметр | Описание параметра | Значение | Комментарий |
|---|---|---|---|
| 14-22 | Режим работы (сброс параметров на заводские) | [2] Initialisation | инициализация, после установки значения выключить и затем включить ПЧ (сбросится в 0) |
| 1-20 * | Номинальная мощность | [##] кВт | с шильдика (паспортной таблички двигателя) |
| 1-22 * | Номинальное напряжение | [##] В | с шильдика (паспортной таблички двигателя) |
| 1-23 * | Номинальная частота | [##] Гц | с шильдика (паспортной таблички двигателя) |
| 1-24 * | Номинальный ток | [##] А | с шильдика (паспортной таблички двигателя) |
| 1-25 * | Номинальный скорость | [##] Об/мин | с шильдика (паспортной таблички двигателя) |
| 1-29 | Автоматическая адаптация двигателя | [2] Enable AMT | для запуска адаптации установите [2] на пульте "Hand on" по завершении - "Ok" Знач. сбросится [0] |
| 1-90 * | Тепловая защита двигателя | [2] Thermistor trip | отключение по термистору |
| 1-93 * | Источник термистора | [6] Digital input 29 | цифровой вход (клемма 29) |
| 14-01 * | Частота ШИМ | [4] 16 кГц | высокая частота снижает шум |
| 2-10 * | Функция торможения | [2] AC brake | торможение переменным током |
| 2-17 * | Контроль перенапряжения | [2] Enabled | включено |
| 1-03 * | Характеристика момента | [2] Auto Energy Opt. | автоматич. оптимиз. энергопотреб. |
| 4-12 | Мин. скорость вращения | [0] Гц | в зависимости от применения (реком. для вентиляторов) |
| 4-14 * | Макс. скорость вращения | [50] Гц | рекомендуется установить номинальную скорость |
| 3-41 | Время разгона | [8] с | зависит от применения. |
| 3-42 | Время замедления | [8] с | зависит от применения |
| 3-02 | Мин. задание | [0] | минимальное задание |
| 3-03 | Макс. задание | [50] | максимальное задание |
| 3-15 * | Источник задания 1 | [21] LCP potentiometer | задание на поддержание от потенциометра панели оператора (диапазон от 3-02 до 3-03) |
| 3-16 * | Источник задания 2 | [0] No function | нет |
| 5-10 * | Функция цифр. вх. 18 | [9] Latched start | импульсный пуск |
| 5-11 * | Функция цифр. вх. 19 | [6] Stop inverse | останов инверсный |
| 5-12 * | Функция цифр. вх. 27 | [3] Coast and reset inverse | выбег и сброс инверсный |
Обязательно введите/проверьте значения этих параметров (значения этих параметров могут отличаться от заводских)