Однофазный частотный преобразователь Danfoss FC-051

В настоящее время частотные преобразователи получили широкое распространение за счет:
- простоты регулирования скорости вращения вала электродвигателя
- уменьшении пусковых токов
- защиты от токов к.з и перегрузок
- экономии электроэнергии
- увеличения срока службы оборудования
Применяются для приводов транспортеров, станков, вентиляторов, в дымососах и насосных системах, дробилках и тд.
В случаях когда имеется 3-х фазная сеть 380 В, использование "частотников" не составляет труда, но зачастую не всегда есть возможность подключиться к 3-х фазной сети. Поэтому в таких случаях можно подключить трехфазный электродвигатель к частотному преобразователю с входным питанием 220 В.

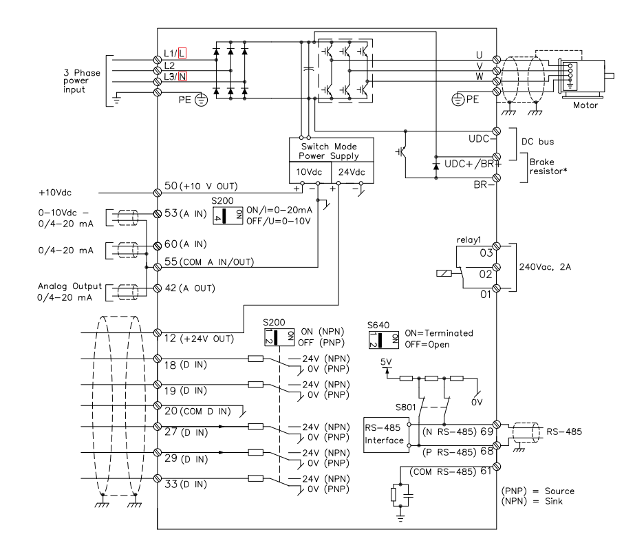
Рисунок 1 - Схема подключения преобразователя частоты
Однофазный частотный преобразователь, подключается к однофазной сети с напряжением 220 В. При этом, на выходе частотного преобразователя получаем трехфазное напряжение с амплитудой 220 В. В таком случае обмотки электродвигателя переменного тока следует соединить по схеме тругольник.
Важно! Подключение однофазного электродвигателя к частотному преобразователю недопустимо!

Рисунок 2 - Подключение обмоток электродвигателя треугольником
Преобразователи частоты Danfoss VLT Micro Drive FC-051 с однофазным питанием, выпускаются следующих номиналов: от 0,18 кВт до 2,2 кВт.