Синхронная работа преобразователей частоты Danfoss

В данной статье рассмотрим настройку преобразователей частоты Danfoss VLT Micro Drive FC-051 для синхронной работы. Задание от потенциометра панели оператора, старт от кнопки. Для ввода преобразователей частоты в эксплуатацию необходимо выполнить следующие действия:
- Выполнить монтаж с соблюдением норм безопасности!
- Проверить параметры оборудования (параметры сети, входа питание ПЧ, двигателя)
- Проверить условия установки и эксплуатации преобразователя частоты (отсутствие пыли и влаги, температурный режим и установочные зазоры).
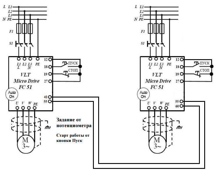
- Электрический монтаж осуществить в соответствии с схемой подключения указанной на рисунке 1

Рисунок 1. Принципиальная электрическая схема подключения преобразователей частоты VLT Micro Drive
- Проверить правильность и надежность подключений
- Для реализации синхронного управления необходимо установить следующие параметры в преобразователях частоты
| № пар. | Параметр | Требуется установить значение |
|---|---|---|
| Преобразователь частоты №1 (Ведущий) | ||
| 14-22 | Режим работы (сброс параметров на заводские) | [2] Initialisation - инициализация, после установки значения выключить и затем включить ПЧ (сбросится в 0) |
| 1-20* | Номинальная мощность | ## кВт - с шильдика (паспортной таблички двигателя) |
| 1-22* | Номинальное напряжение | ## В - с шильдика (паспортной таблички двигателя) |
| 1-23* | Номинальная частота | ## Гц - с шильдика (паспортной таблички двигателя) |
| 1-24* | Номинальный ток | ## А - с шильдика (паспортной таблички двигателя) |
| 1-25* | Номинальный скорость | ## Об/мин - с шильдика (паспортной таблички двигателя) |
| 1-29 | Автоматическая адаптация двигателя | [2] Enable AMT - Для запуска адаптации установите [2] на пульте "Hand on" по завершении - "Ok" Знач. сбросится [0] |
| 4-12* | Мин. скорость вращения | [0] Гц - в зависимости от применения (реком. для вентиляторов) |
| 4-14* | Макс. скорость вращения | [50] Гц - рекомендуется установить номинальную скорость |
| 3-41 | Время разгона | [5] с - зависит от применения |
| 3-42 | Время замедления | [5] с - зависит от применения |
| Проверьте правильность направления вращения механизма, в ручном режиме нажав на панели "Hand on" (далее потенциометром панели или стрелками), по окончании нажмите "Auto on"* | ||
| 3-02 | Мин. задание | [0] - Минимальное задание |
| 3-03 | Макс. задание | [50] - Максимальное задание |
| 3-15 | Источник задания 1 | [21] Потенциометр панели управления |
| 3-16 | Источник задания 2 | [0] No function - нет |
| 5-10 | Функция цифр. вх. 18 | [9] Start - Импульсный Пуск |
| 5-11 | Функция цифр. вх. 19 | [6] Start - Инверсный останов |
| 5-12* | Функция цифр. вх. 27 | [3] Coast and reset inverse - выбег и сброс инверсный |
| 6-90 | Режим клеммы 42 | [1] мА - 4-20 мА |
| 6-91 | Функция клеммы 42 | [10] - Выходная частота (0-100 Гц) |
| 6-93 | Мин. Масштаб клеммы 42 | [0] - Масштаб минимального выходного значения |
| 6-94 | Маск. Масштаб клеммы 42 | [50] - Масштаб максимального выходного значения |
| Преобразователь частоты №2 (Ведомый) | ||
| 1-20* | Номинальная мощность | ## кВт - с шильдика (паспортной таблички двигателя) |
| 1-22* | Номинальное напряжение | ## В - с шильдика (паспортной таблички двигателя) |
| 1-23* | Номинальная частота | ## Гц - с шильдика (паспортной таблички двигателя) |
| 1-24* | Номинальный ток | ## А - с шильдика (паспортной таблички двигателя) |
| 1-25* | Номинальный скорость | ## Об/мин - с шильдика (паспортной таблички двигателя) |
| 1-29 | Автоматическая адаптация двигателя | [2] Enable AMT - Для запуска адаптации установите [2] на пульте "Hand on" по завершении - "Ok" Знач. сбросится [0] |
| 4-12* | Мин. скорость вращения | [0] Гц - в зависимости от применения (реком. для вентиляторов) |
| 4-14* | Макс. скорость вращения | [50] Гц - рекомендуется установить номинальную скорость |
| 3-41 | Время разгона | [5] с - зависит от применения |
| 3-42 | Время замедления | [5] с - зависит от применения |
| Проверьте правильность направления вращения механизма, в ручном режиме нажав на панели "Hand on" (далее потенциометром панели или стрелками), по окончании нажмите "Auto on"* | ||
| 3-02 | Мин. задание | [0] - Минимальное задание |
| 3-03 | Макс. задание | [50] - Максимальное задание |
| 3-15 | Источник задания 1 | [2] Аналоговый вход 60 |
| 3-16 | Источник задания 2 | [0] No function - нет |
| 5-10 | Функция цифр. вх. 18 | [9] Start - Импульсный Пуск |
| 5-11 | Функция цифр. вх. 19 | [6] Start - Инверсный останов |
| 5-12* | Функция цифр. вх. 27 | [3] Coast and reset inverse - выбег и сброс инверсный |
| 6-22 | Клемма 60 Мин. ток | [4] мА |
| 6-23 | Клемма 60 Макс. ток | [20] мА |
| 6-24 | Клемма 60 Мин. значение задания | [0] - Мин. значение задания (Коэфф. должен соответствовать значению мин. тока пар. 6-22) |
| 6-25 | Клемма 60 Макс. значение задания | [50] - Макс. значение задания (Коэфф. должен соответствовать значению макс. тока пар. 6-23) |