Изменение скорости вращения электродвигателя при помощи кнопок

В данной статье будет рассмотрена настройка преобразователя частоты для изменения частоты вращения при помощи кнопок.
Для ввода преобразователя частоты Danfoss в эксплуатацию необходимо выполнить следующие действия:
- Выполнить монтаж с соблюдением норм безопасности!
- Проверить параметры оборудования (параметры сети, входа питание ПЧ, двигателя)
- Проверить условия установки и эксплуатации преобразователя частоты (отсутствие пыли и влаги, температурный режим и установочные зазоры).
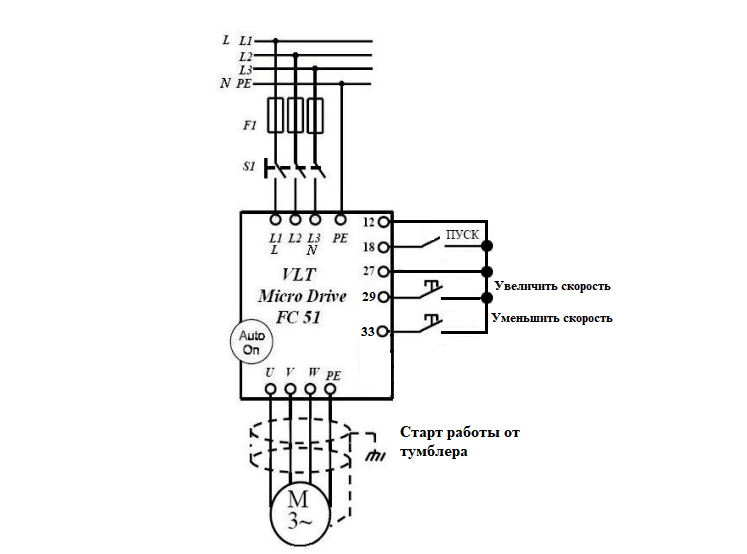
- Электрический монтаж осуществить в соответствии с схемой подключения указанной на рисунке 1

Рисунок 1. Принципиальная электрическая схема подключения преобразователя частоты VLT Micro Drive
- Проверить правильность и надежность подключений
- Далее необходимо установить следующие параметры
| пар. | Параметр | Требуется установить значение |
|---|---|---|
| 14-22 | Режим работы (сброс параметров на заводские) | [2] Initialisation - инициализация, после установки значения выключить и затем включить ПЧ (сбросится в 0). |
| 1-20* | Номинальная мощность | ## кВт - с шильдика (паспортной таблички двигателя) |
| 1-22* | Номинальное напряжение | ## В - с шильдика (паспортной таблички двигателя) |
| 1-23* | Номинальная частота | ## Гц - с шильдика (паспортной таблички двигателя) |
| 1-24* | Номинальный ток | ## А - с шильдика (паспортной таблички двигателя) |
| 1-25* | Номинальный скорость | ## Об/мин - с шильдика (паспортной таблички двигателя) |
| 1-29 | Автоматическая адаптация двигателя | [2] Enable AMT - Для запуска адаптации установите [2] на пульте "Hand on" по завершении - "Ok" Знач. сбросится [0] |
| 4-12* | Мин. скорость вращения | [0] Гц - в зависимости от применения (реком. для вентиляторов) |
| 4-14* | Макс. скорость вращения | [50] Гц - рекомендуется установить номинальную скорость |
| 3-41 | Время разгона | [3] с - зависит от применения |
| 3-42 | Время замедления | [3] с - зависит от применения |
| Проверьте правильность направления вращения механизма, в ручном режиме нажав на панели "Hand on" (далее потенциометром панели или стрелками), по окончании нажмите "Auto on"* | ||
| 3-15 | Источник задания 1 | [0] No function - нет |
| 3-16 | Источник задания 2 | [0] No function - нет |
| 5-10 | Функция цифр. вх. 18 | [8] ПУСК тумблером |
| 5-12 | Функция цифр. вх. 27 | [19] Зафиксировать задание |
| 5-13 | Функция цифр. вх. 29 | [21] Увеличение скорости |
| 5-15 | Функция цифр. вх. 33 | [22] Уменьшение скорости |