Преобразователи частоты VEDA VFD VF-101 в корпусе IP54
Преобразователь частоты в корпусе со степенью защиты IP54 обеспечивает безопасность и защиту от пыли для электрических компонентов. Этот тип ПЧ подойдет для применения в условиях повышенной влажности или запыленности, например, на предприятиях выпускающих строительные материалы; в шахтах; текстильных и бумажных фабриках; а также на строительных площадках. Преобразователи частоты VEDA VFD VF-101 в корпусе с защитой IP54 бывают двух серий:
- DBC серия (Китайская сборка);
- HBC (Региональная сборка в России).
Сейчас подробно остановимся на каждом из них.
Преобразователь частоты VEDAVFD VF-101 DBC
Типовой код:
Габаритные характеристики:
Размерный ряд:
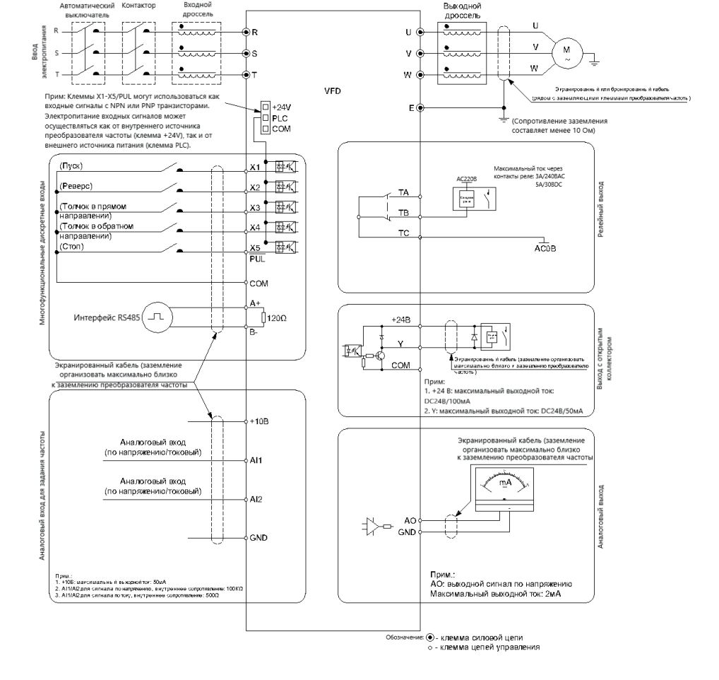
Схема подключения преобразователя частоты:
Схема внешних подключений:

Преобразователь частоты VEDAVFD VF-101 HBC
Типовой код:
Габаритные характеристики:
Размерный ряд:
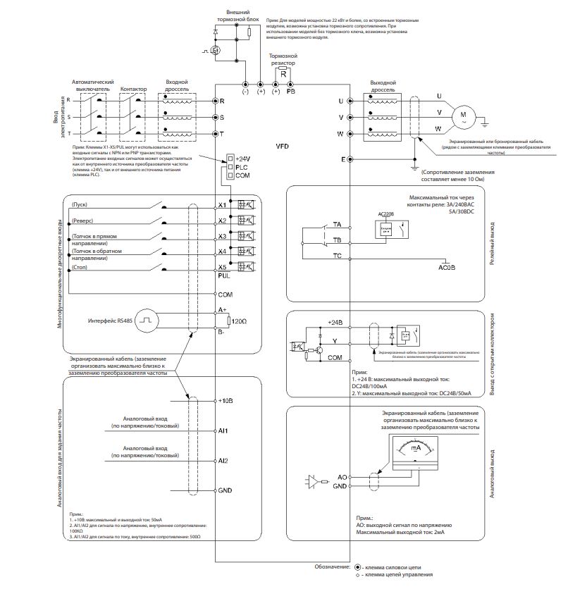
Схема подключения преобразователя частоты:
Схема внешних подключений:
Обратившись к нам, вы можете приобрести данные частотные преобразователи.
Звоните по телефонам: тел. +375 (17) 353-08-42; моб. +375 (29) 338-26-12
Электронная почта: sales@euroec.by