SIEMENS LOGO! Регулировка яркости освещения
Продолжаем рубрику статей по использованию программируемого реле Siemens LOGO! для различных применений. Сегодня рассмотрим примеры использования ПЛК LOGO! в помещениях где необходима регулировка яркости свечения ламп.
Пример 1. Регулировка освещения в комнате для проведения семинаров
| № | Использование комнаты | Функция |
|---|---|---|
| 1 | Видео | В этом режиме значительно затемняется все освещение |
| 2 | Презентация с проектором | Значительно затемняет ближайшие лампы к видео проектору. Немного затемняет центральный ряд ламп. Не затемняет ряд ламп у окна |
| 3 | Презентация без проектора | Все лампы максимально ярко светят |
| 4 | Праздник | Слегка приглушается свет всех ламп |
| 5 | Не используется | Выключение всех источников света |
Чтобы затемнить люминесцентную лампу, диммер (регулятор освещения), необходимо подключиться последовательно к флуоресцентной лампе. Кроме того, между аналоговым выходом LOGO! необходимо подключить преобразователь сигналов.
Спецификация оборудования:
| Наименование | Заказной номер |
|---|---|
| Блок питания LOGO 24V | 6EP1332-1SH43 |
| ПЛК LOGO! | 6ED1052-1MD00-0BA8 |
| Модуль расширения аналоговых выходов LOGO! | 6ED1055-1MM00-0BA2 |
| Выключатели | |
| Преобразователь сигналов | NP-SPS10V.EVG/24V |
| Светодиодный драйвер | 122400 |
| Светодиодная лента | |
| Диммер | 5WG1527-1AB41 |
| Лампы накаливания | |
| ECG | 91190230 |
| Флуоресцентные лампы |
Переходим к описанию программы управления режимами в комнате проведения семинаров. Для удобства разобьем управляющую программу на четыре основных раздела:
Раздел 1 Элементы управления
Раздел 2 Функции счетчика
Раздел 3 Выбор режима
Раздел 4 Управление лампами

Раздел 1 Элементы управления
Доступны следующие варианты ввода:
– Кнопка на входе I1
– Клавиша курсора «Вправо» на LOGO!
– Клавиша курсора «Влево» на LOGO!
В этом примере применения кнопки на входе I1 имеет ту же функцию, в качестве «правой» клавиши курсора.
В зависимости от того, какая клавиша нажата, мультиплексор возвращает значение «1» для
прямого подсчета или значение «-1» для обратного счета до арифметического утверждения, которое служит счетчиком.

Раздел 2 Функции счетчика
Поскольку существует только определенное количество режимов, счетчик не должен увеличиваться без ограничений. Необходимо проверить текущий счетчик. Если счет слишком велик, система возвращается в первый режим. Если счетчик слишком мал, система переходит к последнему режиму.
Значение из предыдущего цикла передается в арифметический оператор через
P1.
Мультиплексор функциональной части 1 определяет, выполняется ли арифметика: утверждение имеет значение вверх, вниз или не учитывается вообще.
Аналоговые пороговые переключатели проверяют, находится ли новое значение в диапазоне
от «1» до «5».
Если новое значение равно «6», мультиплексор перезаписывает его значением «1».
Если новое значение равно «0», мультиплексор перезаписывает его значением «5».
Аналоговый усилитель необходим для передачи определенного значения обратно в
арифметическое утверждение.

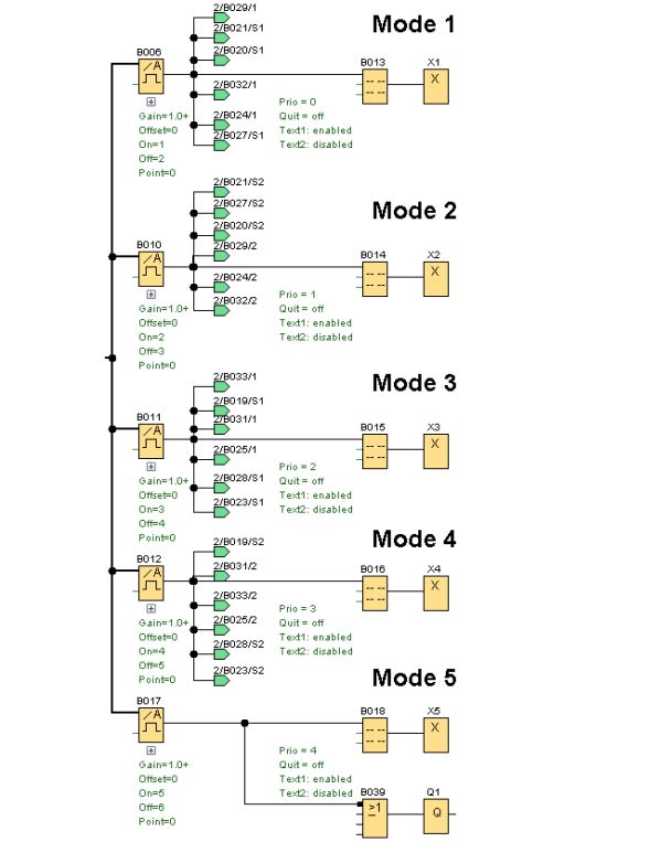
Раздел 3 Функции счетчика
Аналоговые пороговые переключатели контролируют определенное аналоговое значение от функциональную часть 2 и включите соответствующий режим.
В текстовых сообщениях отображается выбранный режим.
Зеленые стрелки обозначают соединения с функциональной частью 4.

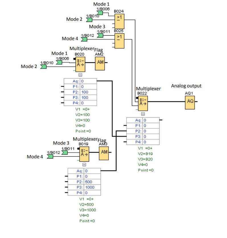
Раздел 4 Управление лампами
Мультиплексоры соединены между собой для вывода правильного аналогового значения в зависимости от выбранного режима.

Смотрите еще статьи по настройке оборудования: