Задание частоты с панели оператора Inovance MD290. Запуск тумблером

В данной статье рассмотрим управление скоростью вращения двигателя от панели оператора частного преобразователя. Запуск при помощи переключателя S1 (тумблера).
Для ввода преобразователя частоты в эксплуатацию необходимо выполнить следующие действия:
- Выполнить монтаж с соблюдением норм безопасности!
- Проверить параметры оборудования (параметры сети, входа питание ПЧ, двигателя)
- Проверить условия установки и эксплуатации преобразователя частоты (отсутствие пыли и влаги, температурный режим и установочные зазоры).
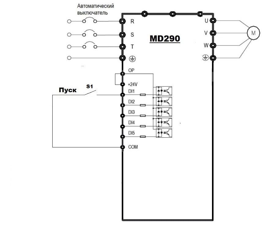
- Электрический монтаж осуществить в соответствии с схемой подключения указанной на рисунке 1
- Проверить правильность и надежность подключений

Рисунок 1. Принципиальная электрическая схема подключения преобразователя частоты Inovance MD290
Для реализации работы управления скоростью вращения двигателя от панели оператора необходимо установить следующие параметры в преобразователе частоты
| Параметр | Описание параметра | Значение | Комментарий |
|---|---|---|---|
| F1-01 | Номинальная мощность | [##] кВт | с шильдика (паспортной таблички двигателя) |
| F1-02 | Номинальное напряжение | [380] В | с шильдика (паспортной таблички двигателя) |
| F1-03 | Номинальный ток | [##] А | с шильдика (паспортной таблички двигателя) |
| F1-04 | Номинальная частота | [##] Гц | с шильдика (паспортной таблички двигателя) |
| F1-05 | Номинальный скорость | [##] Об/мин | с шильдика (паспортной таблички двигателя) |
| F0-02 | Выбор источника команды | [1] | Управление через клеммную колодку частотного преобразователя |
| F0-03 | Выбор источника задания | [0] | Задание в цифровом виде от LCP |
| F4-11 | Режим управления с клемной колодки | [0] | 2-х проводная схема управления (режим 1) |
| F4-00 | Функция цифр. вх. DI1 | [1] | Команда на "ПУСК" |
| F0-01 | Режим управления электродвигателем | [2] | Скалярный режим управления |
| F0-12 | Макс. скорость вращения | [50] Гц | рекомендуется установить номинальную скорость |
| F0-14 | Мин. скорость вращения | [0] Гц | зависит от применения |
| F0-17 | Время разгона | [8] с | зависит от применения |
| F0-18 | Время замедления | [8] c | зависит от применения |
| F6-10 | Режим торможения | [0] | замедление до остановки |