Применение Siemens LOGO! для управления раздвижными воротами
Программируемое реле Siemens LOGO! предлагает множество применений для быстрого решения задач автоматизации.
В программном обеспечении LOGO Soft Comfort имеются готовые функциональные блоки например, недельный таймер, генератор импульсов, часы реального времени, сезонный таймер, и т.д.
Рассмотрим пример использования контроллера LOGO! для управления раздвижными воротами с использованием реверсивной контакторной схемы.
Спецификация оборудования Siemens LOGO! Спецификация оборудования Siemens LOGO!
| Наименование | Заказной номер |
|---|---|
| Программируемый контроллер с клавиатурой и дисплеем LOGO! 12/24RCE | 6ED1052-1MD08-0BA2 |
| Блок питания Siemens 24В, 0,6А | 6EP3330-6SB00-0AY0 |
Принципиальная схема

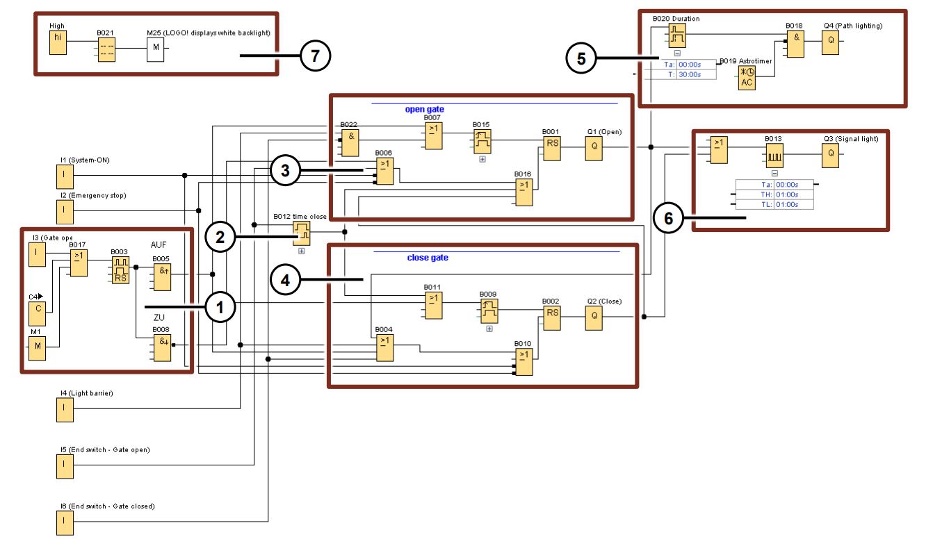
Управляющая программа

Для удобства разбили управляющую программу на 7 блоков, ниже рассмотрим каждый из них:
Блок 1.
I1 команда на открытие ворот. Флаг M1 используется в качестве интерфейса с контроллером через веб-сервер. Вы устанавливаете или сбрасываете реле с блокировкой посредством короткого импульса на входе I1 или флага M1 или нажав кнопку курсора ► на модуле LOGO! При настройке нарастающий фронт используется для подачи сигнала на открытие ворот. При сбросе используется задний фронт установить сигнал на закрытие ворот.
Блок 2.
Задержка включения для автоматического закрытия ворот по истечении определенного времени. Задержка включения устанавливает сигнал на закрытие ворот, если концевой выключатель на входе I5 активируется в течение установленного времени.
Блок 3.
Раздел программы для открытия ворот. Сигналы ниже устанавливают реле с помощью логического ИЛИ:
• Импульс для открытия из программной части (1)
• Активированный световой барьер на входе I4 и ворота не закрыты
Сигналы ниже сбрасывают реле с помощью логического ИЛИ:
• 0 сигнал на входе I1 (система ВЫКЛ)
• Активированное АВАРИЙНОЕ ВЫКЛ на входе I2
• Импульс для закрытия из программной части (1)
• Активный концевой выключатель на входе I5 (ворота открыты)
• 1 сигнал для автоматического закрытия из программной части (2)
• Активированный выход Q2 (закрытие) из программной части (4)
Блок 4.
Раздел программы для закрытия ворот. Сигналы ниже устанавливают реле с помощью логического ИЛИ:
• Импульс на закрытие от программной части (1)
• Сигнал 1 на автоматическое закрытие от программной части (2)
Сигналы ниже сбрасывают реле с помощью логического ИЛИ:
• Сигнал 0 на входе I1 (система ВЫКЛ)
• Активированное АВАРИЙНОЕ ВЫКЛ на входе I2
• Импульс на открытие от программной части (1)
• Активный концевой выключатель на входе I6 (ворота закрыты)
• Активированный световой барьер на входе I4
• Активированный выход Q1 (открытие) от программной части (3)
Блок 5.
Раздел управления освещением через выход Q4. Часы реального времени предотвращают включение освещения в дневное время. Освещение пути включается после захода солнца, если ворота открываются, и остается включенным до истечения времени задержки выключения. Отсчет времени начинается, как только выход Q1 перестает быть активным (ворота открываются или снова закрываются).
Блок 6.
Импульсный энкодер для управления сигнальным светом на выходе Q3. Импульсный энкодер активируется при открытии или закрытии ворот.
Блок 7.
Раздел текстовых сообщений, показывающие время, которое можно задать для автоматического закрытия ворот . Это позволяет удобно выполнять параметризацию во время выполнения с помощью дисплея LOGO! или встроенного веб-сервера (веб-страница по умолчанию).
Рассмотрели пример реализации управления воротами при помощи реле LOGO!.
Смотрите также:
SIEMENS LOGO! Регулировка яркости освещения
Управление насосом для емкости с водой при помощи реле Siemens LOGO